900LB Kaynak Boyunlu Flanş
900LB Kaynak Boyunlu Flanş
Ekstrem basınç ve zorlu işletme şartlarının hakim olduğu kritik hatlar için üretilen 900LB Kaynak Boyunlu Flanş, sızdırmazlık teknolojisinde en üst düzey güvenliği temsil eder. ANSI/ASME B16.5 standartlarına uygun olarak tasarlanan yüksek ve güçlendirilmiş konik boyun yapısı, sistem üzerindeki devasa mekanik gerilmeleri boru hattına başarıyla aktarır. AISI 316L ve AISI 304L kalite paslanmaz çelik materyal kullanımı sayesinde, yüksek basınç altında korozyon direnci ve yapısal stabiliteden ödün vermez.

900LB Kaynak Boyunlu Flanş
ASME B16.50 RF,TS EN 1759-1 /11 900 LB WELDING NECK FLANGE
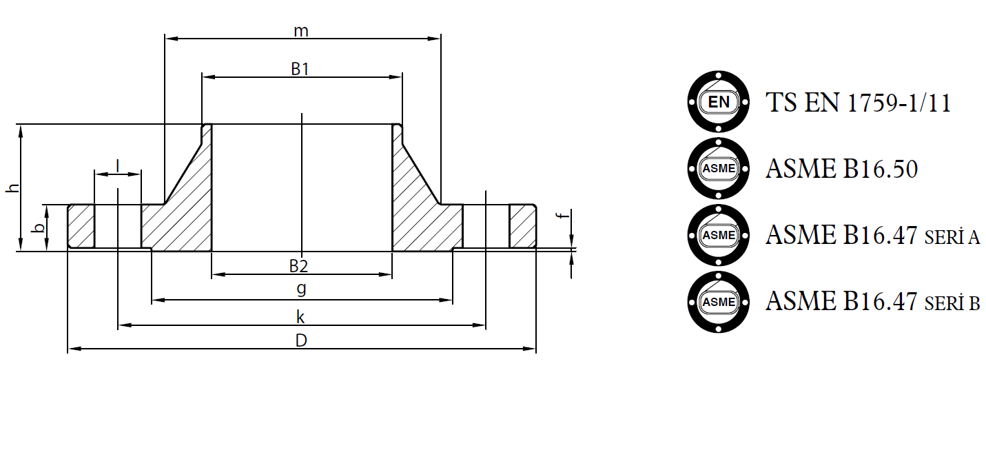
| Ebat / Size | D | b | g | m | B1 | B2 | h | k | n | f | l | kg/ad kg/ pcs |
||||||||||||||||||||||||||||||||||||||||||||||||||||||||||||||||||
| 1/2” | 121 | 28,8 | 34,9 | 38 | 21,3 | 13,84 | 66,4 | 82,6 | 4 | 6,4 | 22,2 | 2,63 | ||||||||||||||||||||||||||||||||||||||||||||||||||||||||||||||||||
| 3/4” | 130 | 31,8 | 42,9 | 44 | 26,7 | 18,88 | 76,4 | 88,9 | 4 | 6,4 | 22,2 | 2,78 | ||||||||||||||||||||||||||||||||||||||||||||||||||||||||||||||||||
| 1” | 149 | 34,8 | 50,8 | 52 | 33,5 | 24,4 | 79,4 | 101,6 | 4 | 6,4 | 25,4 | 3,99 | ||||||||||||||||||||||||||||||||||||||||||||||||||||||||||||||||||
| 1 1/4” | 159 | 34,8 | 63,5 | 64 | 42,2 | 32,5 | 79,4 | 111,1 | 4 | 6,4 | 25,4 | 4,75 | ||||||||||||||||||||||||||||||||||||||||||||||||||||||||||||||||||
| 1 1/2” | 178 | 38,2 | 73 | 70 | 48,3 | 38,14 | 89,4 | 123,8 | 4 | 6,4 | 28,5 | 6,54 | ||||||||||||||||||||||||||||||||||||||||||||||||||||||||||||||||||
| 2” | 216 | 44,5 | 92,1 | 105 | 60,3 | 49,22 | 108,4 | 165,1 | 8 | 6,4 | 25,4 | 12,8 | ||||||||||||||||||||||||||||||||||||||||||||||||||||||||||||||||||
| 2 1/2” | 244 | 47,5 | 104,8 | 124 | 73,1 | 59,09 | 111,4 | 190,5 | 8 | 6,4 | 28,5 | 17,6 | ||||||||||||||||||||||||||||||||||||||||||||||||||||||||||||||||||
| 3” | 241 | 44,5 | 127 | 127 | 88,9 | 73,66 | 108,4 | 190,5 | 8 | 6,4 | 25,4 | 15,8 | ||||||||||||||||||||||||||||||||||||||||||||||||||||||||||||||||||
| 4” | 292 | 50,9 | 157,2 | 159 | 114,3 | 97,18 | 120,4 | 235 | 8 | 6,4 | 31,8 | 26 | ||||||||||||||||||||||||||||||||||||||||||||||||||||||||||||||||||
| 5” | 349 | 57,2 | 185,7 | 190 | 141,2 | 122,14 | 133,4 | 279,4 | 8 | 6,4 | 35 | 41,2 | ||||||||||||||||||||||||||||||||||||||||||||||||||||||||||||||||||
| 6” | 381 | 62 | 215,9 | 235 | 168,3 | 146,36 | 146,4 | 317,5 | 12 | 6,4 | 31,8 | 56,9 | ||||||||||||||||||||||||||||||||||||||||||||||||||||||||||||||||||
| 8” | 470 | 69,9 | 269,9 | 298 | 219,1 | 193,7 | 168,4 | 393,7 | 12 | 6,4 | 38,1 | 97,6 | ||||||||||||||||||||||||||||||||||||||||||||||||||||||||||||||||||
| 10” | 546 | 76,3 | 323,8 | 368 | 273 | 247,6 | 190,4 | 469,9 | 16 | 6,4 | 38,1 | 146,0 | ||||||||||||||||||||||||||||||||||||||||||||||||||||||||||||||||||
| 12” | 610 | 85,6 | 381 | 419 | 323,8 | 298,4 | 206,4 | 533,4 | 20 | 6,4 | 38,1 | 190,8 | ||||||||||||||||||||||||||||||||||||||||||||||||||||||||||||||||||
| 14” | 641 | 92,3 | 412,8 | 451 | 355,6 | 330,2 | 219,4 | 558,8 | 20 | 6,4 | 41,1 | 218,5 | ||||||||||||||||||||||||||||||||||||||||||||||||||||||||||||||||||
| 16” | 705 | 95,3 | 469,9 | 508 | 406,4 | 381 | 222,4 | 616 | 20 | 6,4 | 44,5 | 262,8 | ||||||||||||||||||||||||||||||||||||||||||||||||||||||||||||||||||
| 18” | 787 | 108 | 533,4 | 565 | 457,2 | 431,8 | 235,4 | 685,8 | 20 | 6,4 | 50,8 | 347,3 | ||||||||||||||||||||||||||||||||||||||||||||||||||||||||||||||||||
| 20” | 857 | 114,4 | 584,2 | 622 | 508 | 482,6 | 254,5 | 749,3 | 20 | 6,4 | 53,8 | 433 | ||||||||||||||||||||||||||||||||||||||||||||||||||||||||||||||||||
| 24” | 1041 | 146,1 | 692,2 | 749 | 609,6 | 584,2 | 298,4 | 901,7 | 20 | 6,4 | 66,5 | 775,6 | ||||||||||||||||||||||||||||||||||||||||||||||||||||||||||||||||||
MSS-SP 44 – ASME B16.47 900LB RF WELDING NECK FLANGE SERIES A
| Ebat / Size | D | b | g | m | B1 | B2 | h | k | n | f | l | kg/ad kg/ pcs |
||||||||||||||||||||||||||||||||||||||||||||||||||||||||||||||||||
| 26” | 1086 | 146,1 | 749,3 | 774,7 | 660,4 | 635 | 292,1 | 952,5 | 20 | 6,4 | 73,1 | 760,6 | ||||||||||||||||||||||||||||||||||||||||||||||||||||||||||||||||||
| 28” | 1168,4 | 149,1 | 800,1 | 831,8 | 711,2 | 685,8 | 304,8 | 1022,3 | 20 | 6,4 | 79,2 | 897 | ||||||||||||||||||||||||||||||||||||||||||||||||||||||||||||||||||
| 30” | 1231,9 | 155,8 | 857,2 | 889 | 762 | 736,6 | 317,5 | 1085,8 | 20 | 6,4 | 79,2 | 1037,9 | ||||||||||||||||||||||||||||||||||||||||||||||||||||||||||||||||||
| 32” | 1314,4 | 165,1 | 914,4 | 946,1 | 812,3 | 786,9 | 336,6 | 1155,7 | 20 | 6,4 | 85,8 | 1241,7 | ||||||||||||||||||||||||||||||||||||||||||||||||||||||||||||||||||
| 34” | 1397 | 171,5 | 965,2 | 1006,3 | 863,6 | 838,2 | 355,6 | 1225,5 | 20 | 6,4 | 91,9 | 1461,5 | ||||||||||||||||||||||||||||||||||||||||||||||||||||||||||||||||||
| 36” | 1460,5 | 177,8 | 1022,3 | 1063,7 | 914,4 | 889 | 368,3 | 1289 | 20 | 6,4 | 91,9 | 1652,4 | ||||||||||||||||||||||||||||||||||||||||||||||||||||||||||||||||||
| 38” | 1460,5 | 197 | 1098,5 | 1073,1 | 965,2 | 939,2 | 359 | 1289 | 20 | 6,4 | 91,9 | 1554,6 | ||||||||||||||||||||||||||||||||||||||||||||||||||||||||||||||||||
| 40” | 1511,3 | 203,2 | 1162 | 1127,2 | 1016 | 990,6 | 369,9 | 1339,8 | 24 | 6,4 | 91,9 | 1647,9 | ||||||||||||||||||||||||||||||||||||||||||||||||||||||||||||||||||
| 42” | 1562,1 | 212,6 | 1212,8 | 1176,2 | 1066,8 | 1041,4 | 377,7 | 1390,6 | 24 | 6,4 | 91,9 | 1786,6 | ||||||||||||||||||||||||||||||||||||||||||||||||||||||||||||||||||
| 44” | 1647,9 | 220,8 | 1270 | 1234,9 | 1117,6 | 1092,2 | 397,1 | 1463,5 | 24 | 6,4 | 98,6 | 2083,4 | ||||||||||||||||||||||||||||||||||||||||||||||||||||||||||||||||||
| 46” | 1733,5 | 232 | 1333,5 | 1292,3 | 1168,4 | 1143 | 417,4 | 1536,7 | 24 | 6,4 | 104,6 | 2433,4 | ||||||||||||||||||||||||||||||||||||||||||||||||||||||||||||||||||
| 48” | 1784,3 | 239,8 | 1384,3 | 1343,2 | 1219,2 | 1193,8 | 425,5 | 1587,5 | 24 | 6,4 | 104,6 | 2608 | ||||||||||||||||||||||||||||||||||||||||||||||||||||||||||||||||||
MSS-SP 44 – ASME B16.47 900LB RF WELDING NECK FLANGE SERIES B
| Ebat / Size | D | b | g | m | B1 | B2 | h | k | n | f | l | kg/ad kg/ pcs |
||||||||||||||||||||||||||||||||||||||||||||||||||||||||||||||||||
| 26” | 1022,3 | 141,1 | 762 | 743 | 660,4 | 635 | 262,2 | 901,7 | 20 | 6,4 | 66,5 | 578,2 | ||||||||||||||||||||||||||||||||||||||||||||||||||||||||||||||||||
| 28” | 1104,9 | 154 | 819,1 | 797 | 711,2 | 685,8 | 282,8 | 971,5 | 20 | 6,4 | 73,1 | 725,1 | ||||||||||||||||||||||||||||||||||||||||||||||||||||||||||||||||||
| 30” | 1181,1 | 161,8 | 876,3 | 850,9 | 762 | 736,6 | 295,5 | 1035 | 20 | 6,4 | 79,2 | 855,6 | ||||||||||||||||||||||||||||||||||||||||||||||||||||||||||||||||||
| 32” | 1238,2 | 166,7 | 927,1 | 908 | 812,3 | 786,9 | 309,7 | 1092,2 | 20 | 6,4 | 79,2 | 970,4 | ||||||||||||||||||||||||||||||||||||||||||||||||||||||||||||||||||
| 34” | 1314,4 | 177,8 | 990,6 | 962,1 | 863,6 | 838,2 | 325,4 | 1155,7 | 20 | 6,4 | 85,8 | 1142,5 | ||||||||||||||||||||||||||||||||||||||||||||||||||||||||||||||||||
| 36” | 1346,2 | 179,4 | 1028,7 | 1016 | 914,4 | 889 | 331,8 | 1200,1 | 24 | 6,4 | 79,2 | 1168,2 | ||||||||||||||||||||||||||||||||||||||||||||||||||||||||||||||||||



