DIN 86044 Egzoz Flanşları

DIN 86044 Egzoz Flanşları

Paslanmaz DIN 86044 Egzoz Flanşları, gemi inşa sanayi ve ağır endüstriyel tesislerin egzoz sistemlerinde kullanılmak üzere DIN 86044 standartlarına uygun olarak üretilmiştir. Yüksek sıcaklıklara ve gaz korozyonuna karşı maksimum direnç sağlayan paslanmaz çelik yapısı, egzoz hatlarının uzun ömürlü ve güvenli çalışmasını garanti eder. İnce ve hafif yapısı sayesinde egzoz boru hatlarında montaj kolaylığı sağlarken, hassas yüzey işçiliği ile mükemmel sızdırmazlık sunar. Özellikle denizcilik sektöründe egzoz gazı tahliye sistemleri için ideal olan bu flanşlar, paslanmaya karşı dayanıklı yapısıyla en zorlu çevre koşullarında bile formunu koruyan, profesyonel bir bağlantı çözümüdür.

 

DIN 86044 Egzoz Flanşları

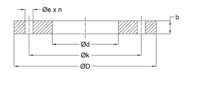
Çap /
Diameter
İç Çap /
Inner
( Ød )
Dış Çap /
Outer
 ( ØD )
Delik Merkezi /
Hole Center
( Øk )
Delik Çapı /
Hole Diameter
( Øe )
Delik Adedi /
Hole Quantity
( n )
Kalınlık /
Thickness
( b )
Ağırlık /
Weight
( Kg )
DN 32 43 140 100 18 4 16 1,75
DN 40 48 150 110 18 4 16 1,99
DN 50 61 165 125 18 4 18 2,61
DN 65 77 185 145 18 4 18 3,14
DN 80 90 200 160 18 8 20 3,93
DN 100 116 220 180 18 8 20 4,31
DN 125 142 250 210 18 8 22 5,76
DN 150 171 285 240 22 8 22 7,07
DN 200 222 320 280 22 8 20 6,03
DN 250 276 375 335 22 12 20 7,31
DN 300 327 440 395 22 12 20 9,83
DN 350 359 490 445 22 12 20 12,61
DN 400 410 540 495 22 16 20 14,01
DN 450 461 595 550 22 16 20 16,05
DN 500 512 645 600 22 20 20 17,45
DN 550 563 703 650 22 20 20 21,86
DN 600 614 754 700 22 20 20 23,62
DN 650 665 805 750 22 20 20 25,38
DN 700 716 856 800 22 24 20 27,14
DN 750 767 907 860 22 24 20 28,9
DN 800 818 9S8 900 22 24 20 30,66
DN 850 870 1010 950 22 28 20 32,45
DN 900 920 1060 1010 22 28 20 34,18
DN 950 970 1110 1060 22 28 20 35,91
DN 1000 1022 1162 1110 22 32 20 37,7
DN 1100 1126 1266 1210 22 32 20 41,29
DN 1200 1226 1366 1310 22 36 20 44,75
DN 1300 1326 1466 1410 22 40 20 48,2
DN1400 1426 1566 1510 22 40 20 51,65
DN 1500 1526 1666 1610 22 44 20 55,1
DN1600 1626 1766 1710 22 48 20 58,56
DN1700 1726 1866 1810 22 48 20 62,01
DN 1800 1826 1966 1910 22 52 20 65,46
DN 1900 1926 2066 2010 22 56 20 68,91
DN 2000 2026 2166 2110 22 56 20 72,37
DN 2100 2126 2266 2210 22 60 20 75,82
DN 2200 2226 2366 2310 22 64 20 79,27
DN 2300 2326 2466 2410 22 64 20 82,72
DN 2400 2426 2566 2510 22 68 20 86,18
DN 2500 2526 2666 2610 22 72 20 89,63
DN 2600 2626 2766 2710 22 72 20 93,08
DN 2700 2726 2866 2810 22 76 20 96,53
DN 2800 2826 2966 2910 22 80 20 99,99
DN 2900 2926 3066 3010 22 80 20 103,44
DN 3000 3026 3166 3110 22 84 20 106,89