Pn40 Kaynak Boyunlu Flanş (EN1092-1/11)
Pn40 Kaynak Boyunlu Flanş (EN1092-1/11)
Yüksek basınçlı ve kritik sıcaklıklı boru devrelerinin en sağlam bağlantı çözümü olan PN40 Kaynak Boyunlu Flanş, Alman normu DIN 2635 ve Avrupa normu EN 1092-1 standartlarına tam uyumlu olarak üretilmiştir. 40 Bar işletme basıncına dayanıklı konik boyun yapısı, sistemdeki gerilmeyi flanş tabanından boruya aktararak kaynak bölgesindeki yorulmayı minimuma indirir. AISI 304 ve AISI 316 kalite paslanmaz çelik seçenekleri ile en agresif akışkanlarda bile maksimum korozyon direnci sunar.

Pn40 Kaynak Boyunlu Flanş (DIN2635)
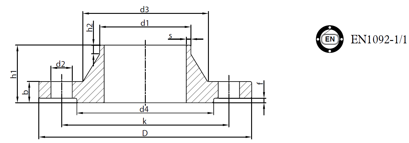
| Ebat / Size | Flanş Ölçüleri / Flange Dimensions | Boyun / Neck | Fatura Raised Face |
Cıvata / Bolt | Ağırlık / Weight |
|||||||||||||||||||||||||||||||||||||||||||||||||||||||||||||||||||||||||
| d1 | k | D | b | h1 | d3 | s | r | h2 | d4 | f | d2 | m | n | kg/ad kg/ pcs |
||||||||||||||||||||||||||||||||||||||||||||||||||||||||||||||||
| DN15 | 21,3 | 65 | 95 | 16 | 38 | 32 | 2 | 4 | 6 | 45 | 2 | 14 | M12 | 4 | 0,77 | |||||||||||||||||||||||||||||||||||||||||||||||||||||||||||||||
| DN20 | 26,9 | 75 | 105 | 18 | 40 | 40 | 2,3 | 4 | 6 | 58 | 2 | 14 | M12 | 4 | 1,09 | |||||||||||||||||||||||||||||||||||||||||||||||||||||||||||||||
| DN25 | 33,7 | 85 | 115 | 18 | 40 | 46 | 2,6 | 4 | 6 | 68 | 2 | 14 | M12 | 4 | 1,31 | |||||||||||||||||||||||||||||||||||||||||||||||||||||||||||||||
| DN32 | 42,4 | 100 | 140 | 18 | 42 | 56 | 2,6 | 6 | 6 | 78 | 2 | 18 | M16 | 4 | 1,89 | |||||||||||||||||||||||||||||||||||||||||||||||||||||||||||||||
| DN40 | 48,3 | 110 | 150 | 18 | 45 | 64 | 2,6 | 6 | 7 | 88 | 3 | 18 | M16 | 4 | 2,13 | |||||||||||||||||||||||||||||||||||||||||||||||||||||||||||||||
| DN50 | 60,3 | 125 | 165 | 20 | 48 | 75 | 2,9 | 6 | 8 | 102 | 3 | 18 | M16 | 4 | 2,83 | |||||||||||||||||||||||||||||||||||||||||||||||||||||||||||||||
| DN65 | 76,1 | 145 | 185 | 22 | 52 | 90 | 2,9 | 6 | 10 | 122 | 3 | 18 | M16 | 8 | 3,68 | |||||||||||||||||||||||||||||||||||||||||||||||||||||||||||||||
| DN80 | 88,9 | 160 | 200 | 24 | 58 | 105 | 3,2 | 8 | 12 | 138 | 3 | 18 | M16 | 8 | 4,75 | |||||||||||||||||||||||||||||||||||||||||||||||||||||||||||||||
| DN100 | 114,3 | 190 | 235 | 24 | 65 | 134 | 3,6 | 8 | 12 | 162 | 3 | 22 | M20 | 8 | 6,46 | |||||||||||||||||||||||||||||||||||||||||||||||||||||||||||||||
| DN125 | 139,7 | 220 | 270 | 26 | 68 | 162 | 4 | 8 | 12 | 188 | 3 | 26 | M24 | 8 | 8,88 | |||||||||||||||||||||||||||||||||||||||||||||||||||||||||||||||
| DN150 | 168,3 | 250 | 300 | 28 | 75 | 192 | 4,5 | 10 | 12 | 218 | 3 | 26 | M24 | 8 | 11,6 | |||||||||||||||||||||||||||||||||||||||||||||||||||||||||||||||
| DN200 | 219,1 | 320 | 375 | 34 | 88 | 244 | 6,3 | 10 | 16 | 285 | 3 | 30 | M27 | 12 | 21,1 | |||||||||||||||||||||||||||||||||||||||||||||||||||||||||||||||
| DN250 | 273,0 | 385 | 450 | 38 | 105 | 306 | 7,1 | 12 | 18 | 345 | 3 | 33 | M30 | 12 | 34,5 | |||||||||||||||||||||||||||||||||||||||||||||||||||||||||||||||
| DN300 | 323,9 | 450 | 515 | 42 | 115 | 362 | 8 | 12 | 18 | 410 | 4 | 33 | M30 | 16 | 48,1 | |||||||||||||||||||||||||||||||||||||||||||||||||||||||||||||||
| DN350 | 355,6 | 510 | 580 | 46 | 125 | 408 | 8,8 | 12 | 20 | 465 | 4 | 36 | M33 | 16 | 70,4 | |||||||||||||||||||||||||||||||||||||||||||||||||||||||||||||||
| DN400 | 406,4 | 585 | 660 | 50 | 135 | 462 | 11 | 12 | 20 | 535 | 4 | 39 | M36 | 16 | 100 | |||||||||||||||||||||||||||||||||||||||||||||||||||||||||||||||
| DN450 | 457 | 610 | 685 | 52 | 138 | 512 | 14,2 | 12 | 20 | 560 | 4 | 39 | M36 | 20 | 106,2 | |||||||||||||||||||||||||||||||||||||||||||||||||||||||||||||||
| DN500 | 508 | 670 | 755 | 52 | 145 | 562 | 14,2 | 12 | 20 | 615 | 4 | 42 | M39 | 20 | 126,6 | |||||||||||||||||||||||||||||||||||||||||||||||||||||||||||||||



